Questions de débutant.


Message

Bertos
Jeune Padawan sloteur

Voir plus


Date du message : mercredi 13 mars 2013 à 12h36


Bonjour à tous,
J'ai quelques questions à vous soumettre car j'ai dans l'idée de créer un premier circuit en bois pour faire mes débuts dans le slot.
Je suis parti sur une base de circuit bois, plateau de 123 x 195 en contreplaqué..est-ce que ce matériaux peut convenir ? J'ai deux plateau de la même taille, l'un fait 15mm d'épaisseur, l'autre 10. Je vais faire des slot de 4mm par 10 de profond. J'ai espacé les voies de 10 cm entre elles, et 5cm du bord de piste.
Je vous joins le tracé que je pense réaliser pour avoir votre avis.

J'ai essayé de faire simple, sans croisement, deux pistes de presque 7m90 chacune.
Je pensais couper les parties en rouge puis coller la piste sur le second plateau afin de pouvoir créer un peu de relief.
Pour les voitures, il en existe... j'ai pas réussi à compter ! Alors est-e qu'il existe des modèles plus adaptés aux débutants et aussi à mon tracé ?
De même, pour les poignets, est-il nécessaire d'investir dès maintenant dans de bonnes poignets ?
J'ai trouvé une alimentation d'occas à 20€ :

Est-ce qu'elle peut convenir pour alimenter ma piste ?
Merci d'avance pour vos conseils,
Bertos

Message

pepe_plus
Sloteur de l'extrême!

Voir plus


Date du message : mercredi 13 mars 2013 à 13h01


Regarde sur le forum, clique ICI

Quelques erreurs dans ton texte mais la pire est la bordure extérieure. Il faut 15cm dans les courbes et non pas 5 !!!!

Le slot ça rend fou !!!

Message

Eurock
Jedï d'honneur

Voir plus


Date du message : mercredi 13 mars 2013 à 13h07


Bertos a écrit :

Bonjour à tous,
J'ai quelques questions à vous soumettre car j'ai dans l'idée de créer un premier circuit en bois pour faire mes débuts dans le slot.
Je suis parti sur une base de circuit bois, plateau de 123 x 195 en contreplaqué..est-ce que ce matériaux peut convenir ? J'ai deux plateau de la même taille, l'un fait 15mm d'épaisseur, l'autre 10. Je vais faire des slot de 4mm par 10 de profond. J'ai espacé les voies de 10 cm entre elles, et 5cm du bord de piste.
Je vous joins le tracé que je pense réaliser pour avoir votre avis.

J'ai essayé de faire simple, sans croisement, deux pistes de presque 7m90 chacune.
Je pensais couper les parties en rouge puis coller la piste sur le second plateau afin de pouvoir créer un peu de relief.
Pour les voitures, il en existe... j'ai pas réussi à compter ! Alors est-e qu'il existe des modèles plus adaptés aux débutants et aussi à mon tracé ?
De même, pour les poignets, est-il nécessaire d'investir dès maintenant dans de bonnes poignets ?
J'ai trouvé une alimentation d'occas à 20€ :

Est-ce qu'elle peut convenir pour alimenter ma piste ?
Merci d'avance pour vos conseils,
Bertos

Concernant les poignées les modèles éco de parma, mrrc ou ds peuvent tout a fait convenir, leur confort d'utilisation et leur progressivité est très intéressante.
Mais si tu as une autre poignée, le temps de construire ton circuit ça ira très bien.

Ton alim, elle est adapté, il lui manque juste le réglage du voltage, mais cela doit pouvoir se regler avec un potar adapté, d'autres sur le forum pourront surement d'éclairer à ce sujet.

Pour la réalisation de la piste bois, tu n'as pas besoin de creuser des slot de 10 mm, 8mm c'est largement suffisant sachant que la peinture te rajoute 1mm et le cooper (cuivre autocollant) te rajoute aussi 1 mm.

Un conseil, tu peins et après tu poses le cuivre.

Regarde ce post tu y trouveras quelques informations : Piste bois

Profites des remarques de Pépé+ il est de très bon conseil, c'est une encyclopédie du slot à lui tout seul.

Eurock
Bourgogne Sud
Ex fabriquant de copeaux
BLST addict [smiley23204]

Message modifié le mercredi 13 mars 2013 à 13h13 par Eurock

Message

Bertos
Jeune Padawan sloteur

Voir plus


Date du message : mercredi 13 mars 2013 à 15h57


Merci pour vos réponses.
J'ai donc modifié le tracé suivant tes conseils Pépé+. Le voilà :

Je n'arrive pas à conserver mes 8m de pistes. Le mieux que j'arrive avec mon plateau est pile 7m00 pour les deux voies, en ajoutant un pont. Mais pour commencer ça devrait suffire.
Concernant le tracé, doit-on respecter très scrupuleusement les tangences entre une droite et une courbe ? Est-ce que les raccordements par clothoïde (comme pour le tracé d'une route) est utilisé en slot ? Peut-on se permettre quelques légers écarts au moment du défonçage ? ou faut-il extrêmement précis au mm près ?
Bertos.

Message

Eurock
Jedï d'honneur

Voir plus


Date du message : mercredi 13 mars 2013 à 19h02


Bertos a écrit :

Merci pour vos réponses.
J'ai donc modifié le tracé suivant tes conseils Pépé+. Le voilà :

Je n'arrive pas à conserver mes 8m de pistes. Le mieux que j'arrive avec mon plateau est pile 7m00 pour les deux voies, en ajoutant un pont. Mais pour commencer ça devrait suffire.
Concernant le tracé, doit-on respecter très scrupuleusement les tangences entre une droite et une courbe ? Est-ce que les raccordements par clothoïde (comme pour le tracé d'une route) est utilisé en slot ? Peut-on se permettre quelques légers écarts au moment du défonçage ? ou faut-il extrêmement précis au mm près ?
Bertos.

Tu peux effectivement faire des virages qui s'enroulent ou qui s'ouvrent mais ne tombe jamais sous le rayon R1 des rails plastiques.
C'est plus dur à faire qu'un virage avec rayon fixe, mais c'est plus plaisant au pilotage.
Bref moi je suis fan du virage à rayon multiples, mais c'est une histoire de goût.

Eurock
Bourgogne Sud
Ex fabriquant de copeaux
BLST addict [smiley23204]

Message

stephanedu14
Bargeots

Voir plus


Date du message : mercredi 13 mars 2013 à 21h04


Salut.
Un bon petit projet de piste bois.
Le 2éme tracet est,pour moi,trés sympa.
Par-contre,le truc a pas prendre,pour faire le défonçage,c'est du CTP.
Il va y avoir de l'arrachage de fibre et la fraise va vite chauffer.
Prends du MDF ou médium,le prix d'une plaquen'est pas énorme et le travail est superbe.
Dans le cas de ton pont,tu pourras même faire des saignées par le dessous pour avoir un bel arrondi trés facilement.
Bonne continuation dans ta création.

Message

pepe_plus
Sloteur de l'extrême!

Voir plus


Date du message : mercredi 13 mars 2013 à 22h36


Je suis bien d'accord avec Eurock pour les rayons variables et le rayon minimum des R1. j'irai même plus loin en disant qu'il ne faut pas descendre en dessous de 20cm mais ce n'est pas toujours facile sur une petite piste.

D'accord aussi avec stephanedu14 malgré que l'on puisse défoncer sans problème du CP ou de l'agglo, il suffit d'avoir des fraises de bonne qualité. Casmachin etc sont à proscrire pour ce genre d'outils.
J'ai une fraise carbure avec laquelle j'ai construit une quinzaine de pistes dont 3 en 8 voies de 30 à 40m et toutes construites en agglo qui bouffe encore plus les outils que le CP !!!

Mais il a raison, le mdf c'est bien plus facile à travailler. Avec du 10mm pas besoin de rainurer en-dessous pour le mettre en forme, ça le fait tout seul.

Le dessin 2 est bien meilleur à mon avis aussi. Comme tu as peu de place, tu devrais inverser le pont et faire la descente en bout de ligne droite ce qui dégagerai une partie inférieure te permettant d'aggrandir un peu...

Le slot ça rend fou !!!

Message

pepe_plus
Sloteur de l'extrême!

Voir plus


Date du message : mercredi 13 mars 2013 à 23h44


Le slot ça rend fou !!!

Message

Bertos
Jeune Padawan sloteur

Voir plus


Date du message : jeudi 14 mars 2013 à 17h53


Salut,
Merci pour vos excellents conseils !
Effectivement je vais inverser et je dois pouvoir récupérer 70cm de plus pour chacune des voies.
En fait, c'est pas la place qui me manque...C'est juste que je débute complétement et je ne veux pas me lancer dans une piste de 15 ou 20m en sachant que je vais faire d'innombrables erreurs de débutant ! Donc je veux faire une p'tite piste d'essais comme celle-là avec ce que j'ai comme matos chez moi... Ensuite, j'ai bien l'intention de faire quelque chose de plus "sérieux".
J'ai commander hier les poignées, les voitures, le cuivre...reste plus qu'à récupérer l'alim trouver sur le bon coin et si je reçois tout demain, j'attaque ce week-end... en espérant réussir à faire les branchements? parce que ça m'inquiète un peu ! Moi et l'élec !! à part U= RxI !!
D'ailleurs une question con..mais comment raccordez-vous les poignées ? parce que je ne trouve nul part de prise jack femelle !

Message

pepe_plus
Sloteur de l'extrême!

Voir plus


Date du message : jeudi 14 mars 2013 à 18h01


Bertos a écrit :

D'ailleurs une question con..mais comment raccordez-vous les poignées ? parce que je ne trouve nul part de prise jack femelle !

Relis le lien que j'ai donné plus haut !!!

Tu peux aussi utiliser des prises électroménager 2P+T même si certains les déconseillent (t'es chez toi tu fais ce que tu veux), ou l'un des système utilisés dans les 60's des fiches bananes ou des jacks 6.35 stéréo (3 fils).

Le slot ça rend fou !!!

Message

Sergio
Jedï d'honneur

Voir plus


Date du message : jeudi 14 mars 2013 à 19h07


pepe_plus a écrit :

Bertos a écrit :
D'ailleurs une question con..mais comment raccordez-vous les poignées ? parce que je ne trouve nul part de prise jack femelle !
Relis le lien que j'ai donné plus haut !!!
Tu peux aussi utiliser des prises électroménager 2P+T même si certains les déconseillent (t'es chez toi tu fais ce que tu veux), ou l'un des système utilisés dans les 60's des fiches bananes ou des jacks 6.35 stéréo (3 fils).

D'ac avec pépé_plus, j'avais des problèmes avec mes prises jacks, j'ai tout viré et mis des prises ménagères (bien sûr, à surveiller de ne pas brancher sur le secteur !! ) voilà en photos...


Sergio

Message

Eurock
Jedï d'honneur

Voir plus


Date du message : jeudi 14 mars 2013 à 19h14


Sergio a écrit :

pepe_plus a écrit : Bertos a écrit :
D'ailleurs une question con..mais comment raccordez-vous les poignées ? parce que je ne trouve nul part de prise jack femelle !
Relis le lien que j'ai donné plus haut !!!

Sergio

Perso prise type Bananes ou XLR mais du jack femelle ça existe dans les bonnes boutiques d'électronique.
Un exemple parmi tant d'autre Électronique diffusion, radiospare, ....

Eurock
Bourgogne Sud
Ex fabriquant de copeaux
BLST addict [smiley23204]

Message

Bertos
Jeune Padawan sloteur

Voir plus


Date du message : jeudi 14 mars 2013 à 19h15


J'ai bien lu le lien que tu m'as donné... C'est juste que pour moi, l'élec je comprend bien seulement si on m'explique longtemps ! Et relier trois fils sur un jack ça me parle pas vraiment !
De toutes façons, c'est pas la peine de parler dans le vide...je verrai quand j'en serai au branchements... y a un peu de boulot avant !
Les prises 220v je vais éviter car mon ptiot à 3 ans alors je ne crois pas que ce soit une bonne idée !
Pour en revenir au rayon des virages, c'est sur que les rayons multiples ça complique la tache pour le défonçage... quand à mon histoire de clothoides, je crois qu'il faut oublier...parce que c'est un rayon variable...alors je ne vois pas trop comment le faire à la défonceuse. Ou alors sans guide, en suivant le tracé à la main...?! Pourtant je pense que ça permettrai de prendre les courbes vraiment plus vite.
merci encore.

Message

Eurock
Jedï d'honneur

Voir plus


Date du message : jeudi 14 mars 2013 à 19h36


Bertos a écrit :

J'ai bien lu le lien que tu m'as donné... C'est juste que pour moi, l'élec je comprend bien seulement si on m'explique longtemps ! Et relier trois fils sur un jack ça me parle pas vraiment !
De toutes façons, c'est pas la peine de parler dans le vide...je verrai quand j'en serai au branchements... y a un peu de boulot avant !
Les prises 220v je vais éviter car mon ptiot à 3 ans alors je ne crois pas que ce soit une bonne idée !
Pour en revenir au rayon des virages, c'est sur que les rayons multiples ça complique la tache pour le défonçage... quand à mon histoire de clothoides, je crois qu'il faut oublier...parce que c'est un rayon variable...alors je ne vois pas trop comment le faire à la défonceuse. Ou alors sans guide, en suivant le tracé à la main...?! Pourtant je pense que ça permettrai de prendre les courbes vraiment plus vite.
merci encore.

Pour faire tes virages, tu traces ta courbe variable, puis tu défonces avec un compas (tige avec pointe relié à la défonceuse) et tu changes l'axe en fonction de ta courbe. Ou alors tu fait comme dans le post que j'ai mis plus haut, tu traces un repère pour fixer un support déformable que tu courbes. ta défonceuse viendra en appui sur cette pièce courbée. Une fois la premier slot réalisé tu glisse dedans une réglette pvc de 3 ou 4 mm en fonction de la largeur de ton slot et tu prend appuis dessus pour faire un copier collé de ton premier slot. il faudra pour cela réaliser une semelle as ta défonceuse.

En image tu trouveras pleins d'infos sur le site de Med, le medslotring la section bois va t'en apprendre beaucoup, mais le reste aussi.

Eurock
Bourgogne Sud
Ex fabriquant de copeaux
BLST addict [smiley23204]

Message

Eurock
Jedï d'honneur

Voir plus


Date du message : jeudi 14 mars 2013 à 19h39


Bertos a écrit :

C'est juste que pour moi, l'élec je comprend bien seulement si on m'explique longtemps !

Moi j'ai mis 15 ans pour comprendre U = RxI mais avec un schéma simple tu pourras le faire sans soucis.
Et puis si tu te plantes dans un schéma ou que tu en prends un construit à l'envers, tu peux compter sur PP+ pour te le faire remarquer.
Le mieux quand tu as un doute sur le sujet, tu posts une image ou un croquis et on te donne notre avis.

Bon courage

Eurock
Bourgogne Sud
Ex fabriquant de copeaux
BLST addict [smiley23204]

Message modifié le jeudi 14 mars 2013 à 19h40 par Eurock

Message

Bertos
Jeune Padawan sloteur

Voir plus


Date du message : lundi 18 mars 2013 à 18h13


Salut,
Un aperçu du début de chantier ! J'ai pas eu le temps de m'y mettre vraiment ce week-end mais j'ai quand même commencé. Voilà ce que donne le tracé suivant vos conseils.


Message

pepe_plus
Sloteur de l'extrême!

Voir plus


Date du message : lundi 18 mars 2013 à 19h32


Bertos a écrit :

Salut,
Un aperçu du début de chantier ! J'ai pas eu le temps de m'y mettre vraiment ce week-end mais j'ai quand même commencé. Voilà ce que donne le tracé suivant vos conseils.

Hé bien bravo !!!!

Ca c'est du beau boulot et rapidement mené !!!

Pour un coup d'essai, joli résultat. Quand on pense que certains n'osent pas c'est bien dommage.

Cela dit, la couleur du goudron est....est.... bon heuuuuu les goûts et les couleurs parait il...

Le slot ça rend fou !!!

Message

fastwagon
Jedï d'honneur

Voir plus


Date du message : lundi 18 mars 2013 à 19h33


Bleue? Vraiment?...

Message

Bertos
Jeune Padawan sloteur

Voir plus


Date du message : mardi 19 mars 2013 à 07h12


Effectivement c'est bleu... En fait c'était bleu ou rouge !! Je n'avais que ça comme reste de peinture...
ça change un peu de toutes ces routes tristement grises...
J'en profite pour une petite question : Pour mon alim, celle que j'ai trouvé indique 13.8 V et 6 A. Si je branche directement sans ajouter de potentiomètre, est-ce qu'il y a un risque ?
Bonne journée

Message

bouvier
Sloteur Fou

Voir plus


Date du message : mardi 19 mars 2013 à 09h38


Salut tout le monde

Tien je n'avais pas vu ce post

Un très grand bravo, avec un essais de ce niveau, je suis impatient de voir ton projet de plus grande taille

Mes poignées sont aussi avec des prises ménagères, même quand mes enfants étaient petits, je leurs ai juste expliqué que c'était dangereux et qu'ils n'avaient pas le droit de toucher sans la présence d'un grand

Mais bon , si tu veux jouer la carte sécurité, je mettrais des fiches bananes, bien qu'en y réfléchissant, ça rentre aussi très bien dans une prise 220V
Pour ton alim , 13,8V c'est peu être un peu fort pour le développé de ta piste, mais il n'y a aucun risque et 6A ça te fais 3A par voies, c'est amplement suffisant pour une grande variété de moteurs

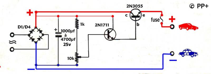
Si tu veux te faire un variateur, voici un schéma de pepe plus, que j'ai monté sur ma piste et si j'y suis arrivé, tout le monde le peu car je ne suis vraiment pas doué en électricité

Tu vire juste le pont de diodes au début qui n'est utile que pour une alim à courant alternatif

A+

Surveiller Imprimer