Chaque voie fait environ 12 m, pour une surface d'environ 1,90 m x 2,60 m.

Viraufrin
Visiteur
Date du message : mercredi 25 février 2015 à 22h37
SkullKiller83
Bargeots
Genre : Masculin Masculin Inscription : 02/10/2014
Messages : 329
Piste : Lotus
Nombres de voitures : 2 mois
Date du message : jeudi 26 février 2015 à 10h34
J'hésite quand au passage du pont ?
Soit je laisse comme c'est soit je relève toute la partie gauche pour passer en dessous.
Pour PP j'ai modifié la zone de détection elle fait maintenant 10 cm elle est juste sous le pont mais elle ne fonctionne toujours pas ( comprend pas). Peut être une question de réglage sous UR 30.
Je vais me pencher sur la question ce soir.
Freiner c'est lâche ! Ne pas le faire c'est con !
pepe_plus
Sloteur de l'extrême!
Genre : Masculin Masculin Inscription : 10/05/2009
Messages : 8.320
Nombres de voitures : Gard
Date du message : jeudi 26 février 2015 à 10h45
Ta détection fonctionne si tu fais le contact avec une pièce métallique ?
As tu essayer en faisant rouler les autos dans les 2 sens ?
Ta zone est relié directement au pc ?
Oui il y a des paramétrages dans ur30. Il faut déclarer quel numéro de broche tu attribues à la détection.
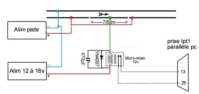
Moi je n'aime pas, contrairement à beaucoup de plans que l'on trouve sur le net, relier la zone en direct au pc. Je place un simple relais entre les 2 ainsi aucune remontée possible et le contact est plus franc.
Le slot ça rend fou !!!
SkullKiller83
Bargeots
Genre : Masculin Masculin Inscription : 02/10/2014
Messages : 329
Piste : Lotus
Nombres de voitures : 2 mois
Date du message : jeudi 26 février 2015 à 11h24
Je vais effectivement avoir un problème de bordures de piste 

Non seulement au niveau de la largeur du circuit qui passe à 102 cm ( impossible d'aller plus loin que 90), mais aussi pour les virages à l’intérieur du tracé. 


.
Une astuce de quelqu'un serait la bienvenue je me sens pas de refaire tout le tracé. Même si j'ai récupéré 8 R3 et des demi droites!!!
Freiner c'est lâche ! Ne pas le faire c'est con !
SkullKiller83
Bargeots
Genre : Masculin Masculin Inscription : 02/10/2014
Messages : 329
Piste : Lotus
Nombres de voitures : 2 mois
Date du message : jeudi 26 février 2015 à 11h27
Pour la zone de détection je crois avoir trouvé mon problème!!! je pense que la zone neutre avant la zone détection est trop courte, du coup ça fait des interférences je pense.le pin 13 est le pin de masse c'est ça ? Peut on le mettre en commun ?ET je n'ai pas essayer dans l'autre sens de circulation tu crois que cela peu influencer ?
Freiner c'est lâche ! Ne pas le faire c'est con !
Message modifié le jeudi 26 février 2015 à 11h28 par SkullKiller83
pepe_plus
Sloteur de l'extrême!
Genre : Masculin Masculin Inscription : 10/05/2009
Messages : 8.320
Nombres de voitures : Gard
Date du message : jeudi 26 février 2015 à 11h54
Oui tu peux mettre la masse en commun mais je ne me souviens plus de la broche.
Si ta zone neutre est trop courte les tresses des autos peuvent renvoyer le 12v en faisant la jonction vers la prise parallèle et là le port saute définitivement !!!
J'en ai vu un sauter il n'y a pas très longtemps.
C'est pour ça qu'il faut isoler.
Il est possible que le sens ait une influence. Quand une auto passe sur les 2 contacts isolés elle ferme le circuit via le bobinage du moteur.
Mais en même temps le moteur n'étant plus alimenté il se transforme en génératrice de type dynamo à courant continu.
Il est donc possible que dans un sens de circulation le courant envoyé par la dynamo vers le port soit d'une tension inverse et ne ferme pas le circuit donc pas de détection.
C'est une supposition.
Moi j'isole avec un bête relais, ainsi aucun danger. De plus une seule file à couper, zone neutre totalement inutile et enfin il y a toujours du courant dans la partie isolée.
Le slot ça rend fou !!!
SkullKiller83
Bargeots
Genre : Masculin Masculin Inscription : 02/10/2014
Messages : 329
Piste : Lotus
Nombres de voitures : 2 mois
Date du message : jeudi 26 février 2015 à 22h29
Detection et comptage operationnel. Merci pp pour tes lumières.
Demain je recois les r3 et le tracé sera operationnel.
Freiner c'est lâche ! Ne pas le faire c'est con !
Viraufrin
Visiteur
Date du message : jeudi 26 février 2015 à 23h10
SkullKiller83 a écrit :
Detection et comptage operationnel. Merci pp pour tes lumières. Demain je recois les r3 et le tracé sera operationnel.
On veut des photos ! 
SkullKiller83
Bargeots
Genre : Masculin Masculin Inscription : 02/10/2014
Messages : 329
Piste : Lotus
Nombres de voitures : 2 mois
Date du message : vendredi 27 février 2015 à 09h32
Voila le sujet est parti dans la section piste plastique, sont titre: projet ASR
Vous pourrez y suivre l'évolution au fil du temps.
Merci pour l'aide concernant le tracé.
Freiner c'est lâche ! Ne pas le faire c'est con !

