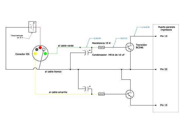
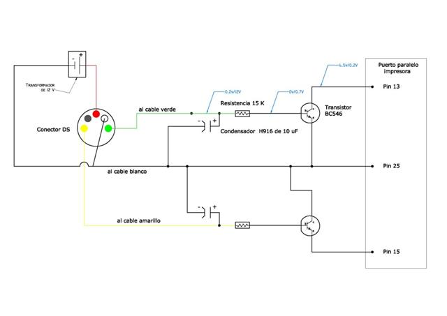
Est-il possible de brancher un pont DS sur un PC avec la fameuse prise imprimante 25 broches sans utiliser le boitier DS.?
Voilà ma réflexion: le pont DS envoie des infos au boitier DS. Il doit être possible avec un peu de bricolage de prendre ses infos comme avec un pont de détection fabrication maison. Cela m'éviterait de fabriquer un pont.
L'objectif de l'opération est de brancher le pont DS sur PC Lap Counter directement via la prise imprimante.
Si quelqu'un a la solution, je suis preneur.
Merci.















