Ce post pour vous présenter mon bricolage pour passer d'un Carrera Digital à un Carrera Analogique et vice versa.
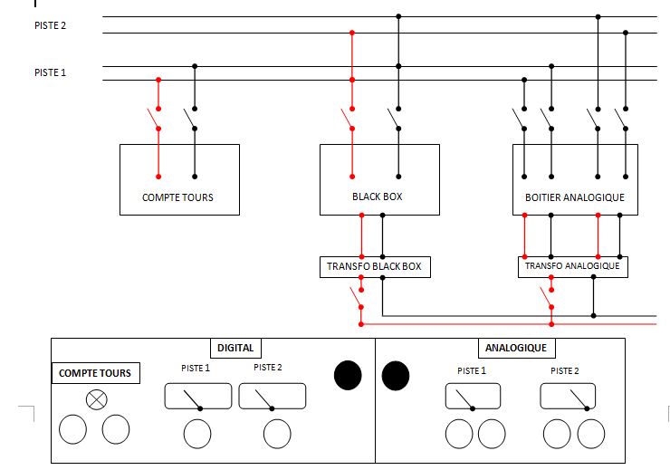
Je suis parti d'un principe simple: isoler l'ensemble des puces du circuit, la black bock et le compte tour lorsque le circuit est en analogique. En d'autres termes, éviter que le courant ne revienne dans les différents éléments lorsque le circuit est en analogique.
Pour cela j'ai installé un interrupteur sur l'alimentation de chaque élément:

J'ai fait la même chose pour chaque puce de changement de voie.
Lorsque que le circuit est en analogique, je coupe tous les interrupteurs comme cela il n'y a pas de risque d'un quelconque retour de courant pouvant griller les cartes.
Tous ces interrupteurs sont placés sur un tableau de commande.

Le tableau est divisé en deux parties: à gauche le circuit en digital et à droite, le circuit en analogique.
Pour fonctionner par exemple en digital, tous les interrupteurs de gauche doivent être sur ON et ceux de droite sur OFF et inversement. J'en ai profité pour installer des ampèremètres et volmètres.
Cela fait beaucoup d'interrupteurs mais c'est volontaire, je voulais "un tableau de bord d'Airbus" et il reste de la place pour d'autres aménagements.







