Comme ça je sais exactement les limites du circuit et je sais ou poser les barrières et ou commencer ma déco ![]()
- WWW.FRANCE-SLOTFORUM.COM
- Pistes Bois
- le MedSlotRing Wood version 3
le MedSlotRing Wood version 3
Med
Visiteur
Date du message : samedi 6 décembre 2008 à 12h49
Med
vincentdu26
Bargeots
Genre : Masculin Masculin Inscription : 07/10/2008
Messages : 182
Piste : Renault et citroën DS
Date du message : samedi 6 décembre 2008 à 13h25
bonjour med
vraiment une trés belle piste qui donne envie de rouler et de se mettre au bois, je vais essayer de suivre l'avencement et suis pressé de voir la decos;ayant vu l'ancienne piste j'en bave encore!!
sur les allées provencales en terrasse avec un pastis et une poignée, mais pas en nougat mou la poignée !!!!
kronembourg à la poste, chronopost à la bourre !!!
dbr9
Sloteur Fou
Date du message : dimanche 7 décembre 2008 à 14h43
Teubarland a écrit :teub! quand on est éléctrocuté c'est irrémédiable on est mort, toutes les bourres que tu as pris c'est de l'électrisation mais si anodine soit elle, il faut éviter de se faire chatouiller trop souvent avec l'électricité, chaque choc électrique entraine une petite lésion au coeur et elles se cumulent jusqu'au jour ou le coeur ne supporte plus. donc attention avec l'électricité! Med vire moi cette prise tout de suiteet je me fait souvent electrocuté !!!!!
grand adepte du "do it yourself"
Med
Visiteur
Date du message : dimanche 7 décembre 2008 à 17h53
Bonsoir tout le monde,
bon c'était l'anniversaire de ma petite femme ce week end enfin c'est demain en fait mais on a fêté ça ce week end quoi
![]()
Bref pas eu le temps de bosser sur le circuit, par contre j'ai pu bossé sur le câblage de mon poste de pilotage, enfin plutôt sur le plan de câblage ![]()
Alors en fait c'est une usine à gaz 
Bon j'ai tout intégré dans le plan. La plupart des choses sera en carte électronique comme le stop & go UR30, le stop &go du DS200, les Feux divers, l'inverseur de poste avec voyant lumineux, inverseur de détection.
Bref voila le résultat, j'ai du boulot ![]()

Voici le détail des pins utilisées pour le circuit

Med
Message modifié le dimanche 7 décembre 2008 à 18h03 par Med
Date du message : dimanche 7 décembre 2008 à 18h58
quel travail!!!! ;)
pour les cartes tu as une adresse pour les avoir ou tu les fais toi même, j'utilise UR30 et c'est vrai que la gestion de l'alimentation des piste me tente, mais je n'ai pas de quoi faire les CI...
will666
Jedï d'honneur
Genre : Masculin Masculin Inscription : 29/01/2006
Messages : 2.476
Nombres de voitures : Depuis l âge de mes 5 ans
Date du message : dimanche 7 décembre 2008 à 19h38
Super boulot med, et l'idée d avoir un poste permanent que tu recupéreras est une très bonne résolution
car faut avouer, c'est sympa à faire sur son premier circuit, mais ensuite, c'est vite rébarbatif.........en faire un joli qui restera, une idée à travailler pour moi cet hiver
........car on peut toujours le faire avant la piste ![]()
Teubarland
Visiteur
Date du message : dimanche 7 décembre 2008 à 20h51
Med : comme tu dit, sacré usine a gaz !!!!! bon courage hein !!!
![]()
dbr9 : chaque choc électrique entraine une petite lésion au coeur et elles se cumulent jusqu'au jour ou le coeur ne supporte plus.
donc attention avec l'électricité!
rien a pété ! quand faut aller dans l'trou, bin faut y aller !!!
![]()
.
.
.
.
.
.
L'humour noir, c'est comme le boudin blanc, c'est une question de gout ...
bartwasa
Visiteur
Date du message : dimanche 7 décembre 2008 à 21h35
souhaite un bon anniversaire a CORNICHON de ma part
l'homme a la défonçeuse
Med
Visiteur
Date du message : mardi 9 décembre 2008 à 16h13
comme je suis de nuit cette semaine j'ai avancer un peu aujourd'hui ![]()
Pose des dominos enfichablent pour l'alim de la piste

Un domino enfichable c'est en fait 2 dominos une domino femelle et un male

préparation de mes cables parallèles

Début de prépa de la boite qui accueillera toutes les cartes electroniques

pour le moment elle contient le stop & go pour UR30, la distribution de feux divers et les resistances de protection pour la detection. On m'avait posé la question, j'ai fait mes cartes moi même avec des cartes epoxy prêtent a cablé
Il manque encore le stop & go du DS200 et la carte inverseur de poste. (la c'est Jojo qui me fait les cartes ![]()

Pose du port parallèle et video sur le poste

et enfin pose des dominos pour la distribution des divers cables dans le poste

maintenant je vais aller dormir un peu avant d'aller au taf ![]()
la suite surement demain ![]()
Med
Message modifié le mardi 9 décembre 2008 à 16h16 par Med
demether
Lord of the ring
Date du message : mardi 9 décembre 2008 à 17h08
vous m'impressionnez avec vos montages electronique top moumoute ! j'arrive à peine à faire mes detections, moi 
[url=http://www.i-services.net/membres/forum/salon.php?uid=78493&sid=37815&idsalon=227715][u][i][b]Manque de place, ou tout simplement envie d'originalité pour votre circuit ? Visitez la section h0 ![/b][/u][/i][/url]
Manou
Visiteur
Date du message : mardi 9 décembre 2008 à 17h11
demether a écrit :vous m'impressionnez avec vos montages electronique top moumoute ! j'arrive à peine à faire mes detections, moi
Et moi alors
je pige rien
[manou] Manou
logan03
Lord of the ring
Genre : Masculin Masculin Inscription : 08/08/2007
Messages : 1.234
Piste : Citroên Ax
Nombres de voitures : trop
Date du message : mardi 9 décembre 2008 à 17h24
Manou a écrit :demether a écrit : vous m'impressionnez avec vos montages electronique top moumoute ! j'arrive à peine à faire mes detections, moi
Et moi alors
je pige rien
m'ouais mais toi depuis le temps tu devrais en avoir l'habitude 
.
.
Ce qu'il y a d'enivrant dans le mauvais goût, c'est le plaisir aristocratique de déplaire

cousinhub88
Sloteur de l'extrême!
Genre : Masculin Masculin Inscription : 03/08/2006
Messages : 6.890
Piste : Bois davic
Nombres de voitures : > 100
Date du message : mercredi 10 décembre 2008 à 09h01
Med a écrit :comme je suis de nuit cette semaine j'ai avancer un peu aujourd'hui
Pose des dominos enfichablent pour l'alim de la piste
Un domino enfichable c'est en fait 2 dominos une domino femelle et un male
préparation de mes cables parallèles
Début de prépa de la boite qui accueillera toutes les cartes electroniques
pour le moment elle contient le stop & go pour UR30, la distribution de feux divers et les resistances de protection pour la detection. On m'avait posé la question, j'ai fait mes cartes moi même avec des cartes epoxy prêtent a cablé
Il manque encore le stop & go du DS200 et la carte inverseur de poste. (la c'est Jojo qui me fait les cartes
Pose du port parallèle et video sur le poste
et enfin pose des dominos pour la distribution des divers cables dans le poste
maintenant je vais aller dormir un peu avant d'aller au taf
la suite surement demain
Du beau boulot. Avec toi l'electricité parait simple.
Il y a une vie après le Carrera, une piste Sillage Racing 
http://lecircuitdessapins.blogspot.fr/
Med
Visiteur
Date du message : mercredi 10 décembre 2008 à 18h14
Petite avancée cet après midi ![]()
Ca prend du temps le cablâge ![]()
Bon d'abord percage de l'emplacement de 4 interrupteurs , les inters lumière de la piste et inverseurs de détection (d'autres viendront par la suite)

cablage des inverseurs de détection, les inters pour la lumière sont cablés et déjà posés

les interrupteurs posés


Pose des dominos enfichables pour les lumières du circuit au dos du poste

le dos du poste presque terminé, me reste plus que la prise 220V à changer, mon nouveau type de connexion devrait arriver bientot dans ma boite au lettre ![]()

On range un peu les cables dans le poste histoire d'éviter le bazar ![]()

et enfin câblage de la DB25 qui va vers le PC sur les dominos que j'avais posé hier.

c'est tout pour aujourd'hui, maintenant une ch'tite sieste avant d'aller au boulot ![]()
a demain ![]()
Med
dudu62
Sloteur Fou
Genre : Masculin Masculin Inscription : 02/08/2007
Messages : 808
Nombres de voitures : duez2613
Date du message : mercredi 10 décembre 2008 à 19h38
c'est une usine à gaz que tu fais ou quoi ![]()
avec moi ca rigole pas
Med
Visiteur
Date du message : jeudi 11 décembre 2008 à 22h35
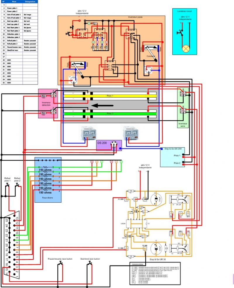
Pas eu le temps de mettre les photos du jour, alors je profite d'une pose au taf ![]()
bon, pas avancé beaucoup aujourd'hui, mais bon ce qui est fait n'est plus à faire ![]()
j'ai reçu ma commande de chez conrad donc
installation de la nouvelle prise



moins deangereux et pour ne rien gaché plus esthétique ![]()
Puis perçage pour plusieurs bouton

et voici le résultat après cablage


il manque encore les les a mettre , et les 2 boutons pour l'activation et la déactivation de l'inverseur de poste
mais mais voici le détail de chaque fonction

voila, bon je retourne au boulot , a demain ![]()
Med
logan03
Lord of the ring
Genre : Masculin Masculin Inscription : 08/08/2007
Messages : 1.234
Piste : Citroên Ax
Nombres de voitures : trop
Date du message : jeudi 11 décembre 2008 à 22h43

Med nous ne sommes que des Facocheres à coté de tes realisations !!! bô tres bô boulot !!!!
on aura droit à un tuto sur ton site ?
.
.
Ce qu'il y a d'enivrant dans le mauvais goût, c'est le plaisir aristocratique de déplaire

speedy
Visiteur
Date du message : jeudi 11 décembre 2008 à 22h52
Ici commandant Mac Koi de la royal air for canadian , on m'a dit que vous avez un individu suspicieux avec une canice de jus de raisin?
Un vrai cockpit de zing... manque juste 2 trous pour les canettes
![]()
Speedy
C'est par le bien faire que l'on fait le bien être
Message modifié le jeudi 11 décembre 2008 à 22h55 par speedy
bartwasa
Visiteur
Date du message : jeudi 11 décembre 2008 à 22h57
"nothing tou diclare sir" et un coupe ongle dans la sacoche
l'homme a la défonçeuse
Sh1v3r
Lord of the ring
Genre : Masculin Masculin Inscription : 06/11/2005
Messages : 1.524
Piste : Bois
Nombres de voitures : 20
Date du message : vendredi 12 décembre 2008 à 00h20
C'est énorme, j'espère que tu as prévu une bonne légende bien visible
.
Franchement TOP ton tableau de bords 
**************************************************
Le silence tue le savoir et inculque l'ignorance.








