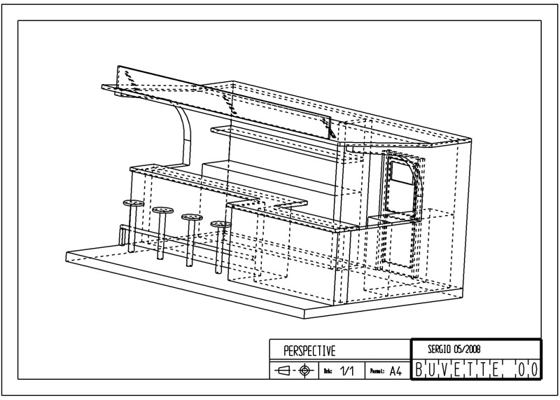
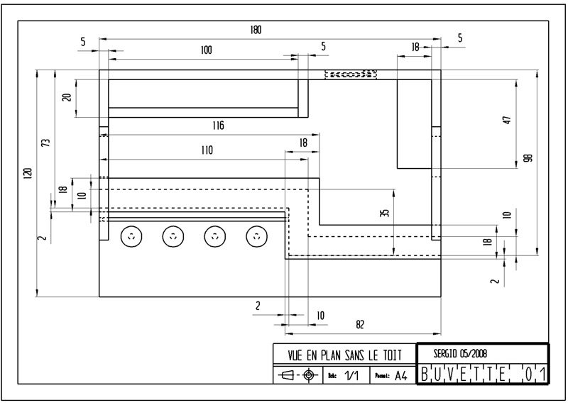
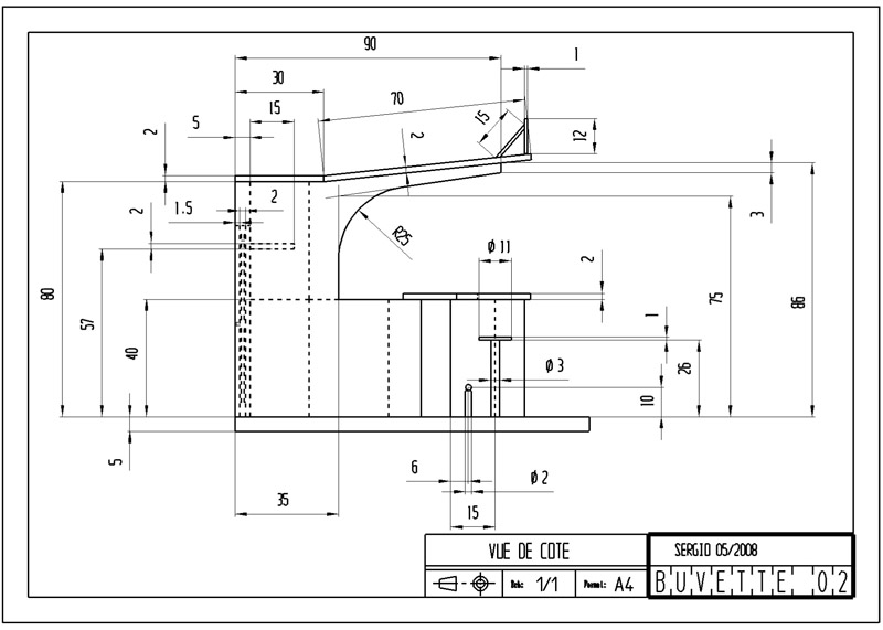
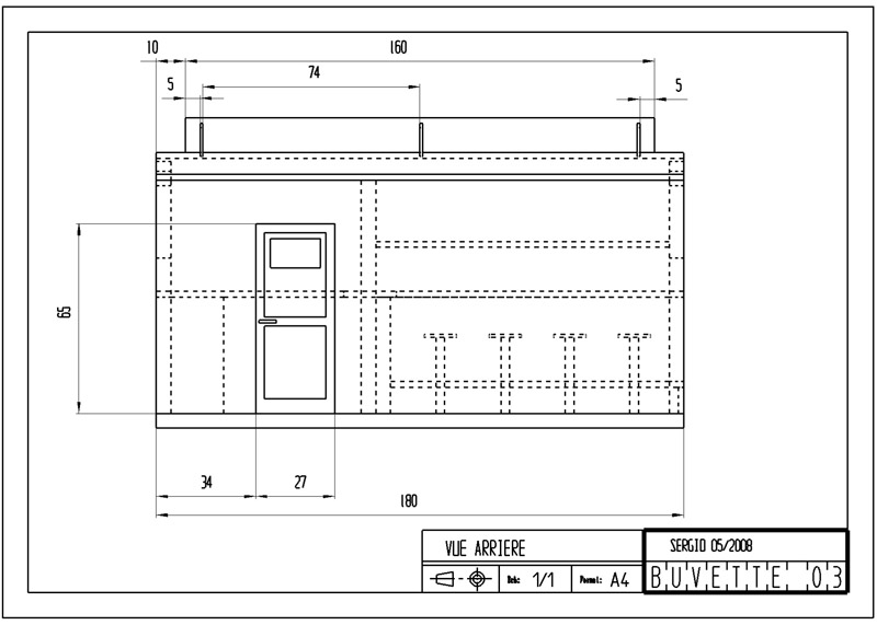
Salut!!
voici les plans pour en faire profiter tout le monde
(envoi des originaux possible ech1/1 format A4 par MP)



Sergio
Date du message : mardi 13 mai 2008 à 13h17
Salut!!
voici les plans pour en faire profiter tout le monde
(envoi des originaux possible ech1/1 format A4 par MP)



Sergio
Manou
Visiteur
Date du message : mardi 13 mai 2008 à 16h00
Merci Sergio bien reçu les plan . La contruction avec ses avancées seront sur le forum Merci mon pote
![]()
Manou
kartounet
Jeune Padawan sloteur
Date du message : mardi 13 mai 2008 à 21h47
ah purée rien que de voir les plans on peut déjà dire que c'est un pro mais quand on voit sa tribune en construction on ne peut dire qu'un mot c'est BRAVO franchement c'est propre, claire, net et précis que du bon boulot et encore bravo. ps: Manou tu as vraiment de la chance tu vas une chouette buvette sur ton circuit
![]()
Vois toujours plus loin, plus grand que ce que tu crois que tu peux atteindre.
Manou
Visiteur
Date du message : mardi 13 mai 2008 à 22h03
| kartounet a écrit : | ||||||||||
| ah purée rien que de voir les plans on peut déjà dire que c'est un pro mais quand on voit sa tribune en construction on ne peut dire qu'un mot c'est BRAVO franchement c'est propre, claire, net et précis que du bon boulot et encore bravo. ps: Manou tu as vraiment de la chance tu vas une chouette buvette sur ton circuit Tu peux en faire une c'est ouvert a tous
Auteur Message Manou Date du message : mercredi 14 mai 2008 à 09h04 Bon une question con (comme d'hab) pour la peinture sur le carton plume on utilise quoi ????
Auteur Message Teubarland Date du message : mercredi 14 mai 2008 à 16h36
|

