Fabrication rail de coupure carrera


Message

PAT28
Lord of the ring

Voir plus


Date du message : vendredi 10 mai 2013 à 15h28


Bonjour à tous.

N'ayant plus de comptage en analogique pour ma piste carrera (mon compteur DS200 étant hs ).
Je me decide à faire un rail de coupure pour pclap sur mon carrera.
1 ere phase le traçage.

2 eme phase la découpe après démontage.


La suite au prochain numero comme on dit

Message

cousinhub88
Sloteur de l'extrême!

Voir plus


Date du message : samedi 11 mai 2013 à 09h08


PAT28 a écrit :

Bonjour à tous.

N'ayant plus de comptage en analogique pour ma piste carrera (mon compteur DS200 étant hs ).
Je me decide à faire un rail de coupure pour pclap sur mon carrera.
1 ere phase le traçage.

2 eme phase la découpe après démontage.

La suite au prochain numero comme on dit

juste un conseil, à mon avis ta zone neutre en métal va être trop courte. Il faut quand même laisser le temps aux tresse de faire bien contact sur la dite zone neutre.

La longueur totale devrait être celle de la partie que tu as découpée.

Carrera vends des rails de coupures, ils ne ce sont pas ennuyés pour la coupure, ils ont fait une coupure directement dans le rail de part et d'autre. Le seul inconvénient c'est la présence d'une légère trace de coupure sur le plastique.

Il y a une vie après le Carrera, une piste Sillage Racing

http://lecircuitdessapins.blogspot.fr/

Message

PAT28
Lord of the ring

Voir plus


Date du message : samedi 11 mai 2013 à 10h04


Bonjour Cousinhub.
Pas de chance je viens de le finir,j avais pris les cotes sur des infos que j avais trouvé dans certains post,je compte l associer à une interface phidget,j espère que cela vas aller quand mème,on verras bien à l'essai.
Si je rencontre des problème je n aurais plus qu 'a suivre tes conseils.
Je te remercie quand mème pour l info.
Pour info ma zone de détection fait 3 cm et les zones de coupures sont de 2 cm

Le rail terminé.

Message modifié le samedi 11 mai 2013 à 10h07 par PAT28

Message

cousinhub88
Sloteur de l'extrême!

Voir plus


Date du message : samedi 11 mai 2013 à 11h21


PAT28 a écrit :

Bonjour Cousinhub.
Pas de chance je viens de le finir,j avais pris les cotes sur des infos que j avais trouvé dans certains post,je compte l associer à une interface phidget,j espère que cela vas aller quand mème,on verras bien à l'essai.
Si je rencontre des problème je n aurais plus qu 'a suivre tes conseils.
Je te remercie quand mème pour l info.
Pour info ma zone de détection fait 3 cm et les zones de coupures sont de 2 cm

Le rail terminé.

En fait ce qui est important, c'est d'une part que la tresse que la zone neutre soit bien isolée, donc très bonne idée les 2 cm de zone neutre de part et d'autre. c'est ce que j'ai sur mon circuit pour le comptage et les aiguillages en Davic.

Ensuite que les tresses touchent bien et suffisamment longtemps la zone neutre. Pour le comptage la mienne fait 8 cm de long et est légèrement relevé. Malgré cela, il y a de temps en temps des oublis de comptage mais c'est rare. Sur 4 heures de course, j'ai du avoir 5 tours d'oubliés, et y a eu plus de 1200 tours par équipe.

Il faut également nettoyer régulièrement la zone neutre, elle finit par s'encrasser. Pour cela utilise un chiffon imbiber d'acétone.

Il y a une vie après le Carrera, une piste Sillage Racing

http://lecircuitdessapins.blogspot.fr/

Message modifié le samedi 11 mai 2013 à 11h24 par cousinhub88

Message

TILOUP
Lord of the ring

Voir plus


Date du message : samedi 11 mai 2013 à 13h34


L'idée serait peut être aussi d'installer cette rail de coupure dans une zone pas trop rapide du circuit, pour faire passer les voitures moins vite .

Message

PAT28
Lord of the ring

Voir plus


Date du message : samedi 11 mai 2013 à 20h54


TILOUP a écrit :

L'idée serait peut être aussi d'installer cette rail de coupure dans une zone pas trop rapide du circuit, pour faire passer les voitures moins vite .

Bonsoir Tiloup Concernant l implantation je n'ai pas trop de choix sur ma piste,je pensais le mettre en fin de ligne droite qui n est pas tres longue juste avant le freinage apres la ligne de stand. Je vais deja faire un essai de passage avec un micro relai et une lampe test.
Message

pepe_plus
Sloteur de l'extrême!

Voir plus


Date du message : dimanche 12 mai 2013 à 01h08


cousinhub88 a écrit :

Pour le comptage la mienne fait 8 cm de long et est légèrement relevé.

Bien d'accord, c'est la bonne longueur.

PAT28 a écrit :

Je vais deja faire un essai de passage avec un micro relai et une lampe test.

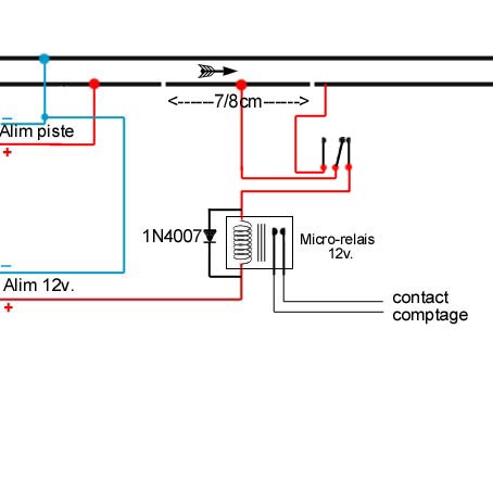
On peut parfaitement utiliser des micro relais en interface. Ou des opto-coupleurs genre TIL111.

L'avantage c'est qu'il n'y a pas besoin de parties isolées d'une part et que l'on peut ne couper qu'un seul contact d'autre part puisque le négatif est commun.
On peut aussi les alimenter par l'alim de piste à la source si celle-ci est suffisamment puissante.

Ne pas oublier la diode en inverse pour éviter les sur-tensions dans la bobine au moment de la rupture d'alimentation. On peut aussi ajouter un condensateur en parallèle sur la bobine pour éviter les rebonds ce qui préserve les contacts de l'usure.

Le slot ça rend fou !!!

Message modifié le dimanche 12 mai 2013 à 01h10 par pepe_plus

Message

PAT28
Lord of the ring

Voir plus


Date du message : dimanche 12 mai 2013 à 11h14


Merci Pepe plus,effectivement plus simple il n'y a q'une coupure à faire.
Par contre je suis en carrera analogique /digital et il y a une inversion de sens de courant quand je fonctionne en digital,donc je pensais mettre une alim séparée et couper avec un interrupteur les zones de coupure.
Quand pense tu?

Message

pepe_plus
Sloteur de l'extrême!

Voir plus


Date du message : dimanche 12 mai 2013 à 11h44


PAT28 a écrit :

Merci Pepe plus,effectivement plus simple il n'y a q'une coupure à faire.
Par contre je suis en carrera analogique /digital et il y a une inversion de sens de courant quand je fonctionne en digital,donc je pensais mettre une alim séparée et couper avec un interrupteur les zones de coupure.
Quand pense tu?

Si je comprends bien la zone de coupure ne sert plus en digital. C'est ça ?

Si c'est le cas, un inter inverseur, tu coupes l'alim et en même temps tu chuntes la coupure

Le slot ça rend fou !!!

Message

PAT28
Lord of the ring

Voir plus


Date du message : dimanche 12 mai 2013 à 12h17


Oui c'est ça ce comptage ne me sert pas en digital,je passe par le pc unit et pclap.

Comme cela avec l'inverseur je diminue ma zone morte, c'est sur si je ne maintien pas une tension dans la zone cela me fait environ 12cm à franchir.
Merci pour l'astuce je n'y avais pas pensé.

Par contre connais tu le raccordement de mon contact de comptage sur les bornes d entrée de la carte phidget,j'utilise un contact sec ou bien je passe par une alim.
C'est un point que je ne trouve pas sur le net.

Message

pepe_plus
Sloteur de l'extrême!

Voir plus


Date du message : dimanche 12 mai 2013 à 12h49


PAT28 a écrit :

Oui c'est ça ce comptage ne me sert pas en digital,je passe par le pc unit et pclap.

Comme cela avec l'inverseur je diminue ma zone morte, c'est sur si je ne maintien pas une tension dans la zone cela me fait environ 12cm à franchir.
Merci pour l'astuce je n'y avais pas pensé.

Par contre connais tu le raccordement de mon contact de comptage sur les bornes d entrée de la carte phidget,j'utilise un contact sec ou bien je passe par une alim.
C'est un point que je ne trouve pas sur le net.

Pourquoi faire la carte phidget ? Tu peux raccorder les contacts du relais directement sur le pc. C'est ainsi que je fais...

Le slot ça rend fou !!!

Message

PAT28
Lord of the ring

Voir plus


Date du message : dimanche 12 mai 2013 à 13h13


pepe_plus a écrit :

Pourquoi faire la carte phidget ? Tu peux raccorder les contacts du relais directement sur le pc. C'est ainsi que je fais...

La carte vas me servir aussi pour une séquence de feu de départ et aussi le fait que je n ai pas de port serie sur mon PC.
J avais commencé à faire une carte relai pour reprendre les infos sur le connecteur serie ,mais j'ai du changer de PC.

Message

PAT28
Lord of the ring

Voir plus


Date du message : dimanche 19 mai 2013 à 11h16


Bonjour a tous.
Tout d'abord un grand merci à tous pour les conseils.
Ca y est ma detection par coupure associée à une carte phidget fonctionne.Plus qu'a me pencher sur les coupures de piste ,les feux de départ associé à un poussoir pour demarrer la course (le départ avec la souris du PC c est pas top),bref encore du boulot de recherche.
les etapes du nouveau rail.
La découpe

La pose des isolants de rattrapage

L'assemblage,ce coup ci j ai pris des 1/3 de rail,plus facile à réaliser.

le cablage.

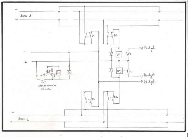
Le schéma

Message

cousinhub88
Sloteur de l'extrême!

Voir plus


Date du message : mardi 21 mai 2013 à 09h22


PAT28 a écrit :

Bonjour a tous.
Tout d'abord un grand merci à tous pour les conseils.
Ca y est ma detection par coupure associée à une carte phidget fonctionne.Plus qu'a me pencher sur les coupures de piste ,les feux de départ associé à un poussoir pour demarrer la course (le départ avec la souris du PC c est pas top),bref encore du boulot de recherche.
les etapes du nouveau rail.
La découpe

La pose des isolants de rattrapage

L'assemblage,ce coup ci j ai pris des 1/3 de rail,plus facile à réaliser.

le cablage.

Le schéma

c'est beaucoup mieux comme ça, bonne continuation.

Il y a une vie après le Carrera, une piste Sillage Racing

http://lecircuitdessapins.blogspot.fr/

Message

PAT28
Lord of the ring

Voir plus


Date du message : mardi 21 mai 2013 à 21h46


Merci Cousinhub.
Pour info je viens de trouver pour les feux et les boutons de commande.
C est effectivement plus pratique que la souris.

Message

justkill28
Lord of the ring

Voir plus


Date du message : mercredi 22 mai 2013 à 23h05


Beaux boulot pour l'essai tu me dit je raplique

sa passe ou sa crash

Message

mann72
Visiteur


Date du message : jeudi 23 mai 2013 à 11h29


Ouais , nous oubli pas bien vu le système

Bonne continuation

VOLVO , veut dire " je roule " en Français

Message

PAT28
Lord of the ring

Voir plus


Date du message : jeudi 23 mai 2013 à 12h20


Pas problème je finis l instalation et je vous appel.

Message

mann72
Visiteur


Date du message : jeudi 23 mai 2013 à 15h16


Impec dit pat , tu aurais une puce carrera en rab a échanger j'ai une voiture que je voudrai vendre , mais si un échange te convient !!

C'est celle ci nico en a une aussi et moi aussi et si ça te convient ont pouraient faire une SKYLINE cup

Et j'ai de quoi rivaliser contre vos mégane

VOLVO , veut dire " je roule " en Français

Message

PAT28
Lord of the ring

Voir plus


Date du message : jeudi 23 mai 2013 à 20h36


mann72 a écrit :

Impec dit pat , tu aurais une puce carrera en rab a échanger j'ai une voiture que je voudrai vendre , mais si un échange te convient !!

Désolé Mann pour la puce,je la garde pour équiper mes voitures.J'ai pas mal de montage en attente.

Surveiller Imprimer