du digital vers analogique


Message

philou17540
Bargeots

Voir plus


Date du message : jeudi 22 novembre 2018 à 09h45


Bonjour, est ce que quelqu'un peut m'aider.

Je souhaite passer du digital vers l'analogique (eh oui je fais les choses dans l'autre sens), je suis sur carrera digital 132, ma piste a atteint un peu plus de 22 mètres sur 2 voies.
Je vais bien sûr retirer tous les éléments digitaux mais pourriez-vous me lister exactement par quoi je dois remplacer la control unit et garder si possible la possibilité d'utiliser ma licence pc lapcounter.
Merci de votre aide.
Phil.

Toujours se faire plaisir
https://www.facebook.com/slotcarcarrera.fontpatour/videos/141834940123182/

Message

pepe_plus
Sloteur de l'extrême!

Voir plus


Date du message : jeudi 22 novembre 2018 à 10h06


C'est facile, 4 bouts de fils, 4 soudures.

Tu choisis le type de connecteurs que tu veux, c'est répéré :

Le slot ça rend fou !!!

Message

philou17540
Bargeots

Voir plus


Date du message : jeudi 22 novembre 2018 à 11h43


merci pour ton plan, et pour ce qui est de récupérer le comptage sur pc lap counter ? pourrai-je voir une installation sur photo ?
Je vais regarder sur le forum.

Toujours se faire plaisir
https://www.facebook.com/slotcarcarrera.fontpatour/videos/141834940123182/

Message

pepe_plus
Sloteur de l'extrême!

Voir plus


Date du message : jeudi 22 novembre 2018 à 12h29


Une photo ?
Ben je n'ai pas vraiment...
Mais bon, une planchette ou une boite comme tu veux, tu fais des trous dedans et tu installes les prises que tu veux et tu raccordes.

J'ai ça en photo mais ça n'apporte pas grand chose.
J'ai 3 connecteurs différents pour chaque voie.
Jack 6.35, prise bananes et prise 2P+T que j'ai rajoutée sur une planchette en façade en dessous.
Il me manque la XLR.

Vu de près :



Pour le comptage, détection par coupure, c'est le plus simple

Le slot ça rend fou !!!

Message

philou17540
Bargeots

Voir plus


Date du message : jeudi 22 novembre 2018 à 13h28


Merci, mais tu sais quand on n'a jamais vu quelque chose c'est pas toujours évident, maintenant je comprends mieux ton plan, ce que je dois encore voir c'est sur quoi connecté (je parle en alimentation, il existe tellement de choses) et je pensais prendre pour le comptage (DS RACING PONT INFRAROUGE) ce que je ne sais pas encore c'est : est ce que c'est compatible avec un pc car ça serait dommage de ne plus utiliser ma licence lap counter sur mon portable car la piste est sur un plateau relevable.
Après il est vrai que je peux demander aussi aux revendeurs.

Toujours se faire plaisir
https://www.facebook.com/slotcarcarrera.fontpatour/videos/141834940123182/

Message

pepe_plus
Sloteur de l'extrême!

Voir plus


Date du message : jeudi 22 novembre 2018 à 14h02


Je ne peux pas répondre pour le DS, je ne sais pas.
Certains savent ici.

Sinon regardes ici : https://www.franceslotforum.com/forum/messages.html?idsujet=1530511&page=0#_msg17823547

Pour l'alim j’utilise ça :

Le slot ça rend fou !!!

Message

philou17540
Bargeots

Voir plus


Date du message : jeudi 22 novembre 2018 à 15h41


Ok et ça c'est bien entendu pour une seule voie (ce qui te permet de baisser la tension pour les plus jeune si je ne me trompes.)
je vais regarder dans ce sens.
Merci pour ces conseils.

Toujours se faire plaisir
https://www.facebook.com/slotcarcarrera.fontpatour/videos/141834940123182/

Message

pepe_plus
Sloteur de l'extrême!

Voir plus


Date du message : jeudi 22 novembre 2018 à 15h55


Non 4 voies ça sort 20A !!!

Le slot ça rend fou !!!

Message

titi91
Sloteur Fou

Voir plus


Date du message : jeudi 22 novembre 2018 à 17h45


Pour l'alimentation de ta piste tu as 2 solutions
soit une alim réglable pour l'ensemble des pistes.
courant identique par piste mais possibilité de rajouter un dévolteur entre le circuit et la piste( ca coute une blinde)

soit une alim réglable par piste ( dans ce cas tu peut effectivement descendre le courant pour les enfants.

Un CARRERA un jour, un CARRERA toujours
Le bois c'est bien aussi
Membre du Speed k'rz Club a Pecqueuse 91 ( piste CARRERA 4 Voies Da-vic )
Membre du Linas Circuit Routier L.C.R. 91 (Piste Bois 4 Voies Analogique 1/24 )

Message

pepe_plus
Sloteur de l'extrême!

Voir plus


Date du message : jeudi 22 novembre 2018 à 18h10


Perso une alim par piste c'est une blinde aussi comme dis.

Les enfants c'est un faux problème.
- s'ils sont plusieurs on baisse le courant pour tous,
- s'il n'y en a qu'un, même chose,
- s'il n'y en a qu'un et qu'il roule avec un adulte, quel intérêt de rouler avec lui et 3 fois plus vite

Le slot ça rend fou !!!

Message

philou17540
Bargeots

Voir plus


Date du message : jeudi 22 novembre 2018 à 18h49


tout à fait d'accord avec toi et comme mon circuit est sur plateau relevable ça m'arrange.
Je vais donc commencer à lister le matériel qu'il me faut.
Du coup plus besoin de prendre la powerbase évolution si je mets une alim variable (quelle puissance vous me conseillez pour deux voies ?) et, je me raccroche directement sur un rail.

Toujours se faire plaisir
https://www.facebook.com/slotcarcarrera.fontpatour/videos/141834940123182/

Message modifié le jeudi 22 novembre 2018 à 21h53 par philou17540

Message

pepe_plus
Sloteur de l'extrême!

Voir plus


Date du message : vendredi 23 novembre 2018 à 00h20


Moi je suis très content de la Graupner.
On peut lui reprocher le bruit du ventilo mais quand on roule on ne l'entend plus.
Et quand on ne roule pas aucune raison de la laisser tourner.
20A moins cher tu ne trouveras pas à moins de la construire toi-même.
Et les ampères c'est toujours ce qu'il manque...

Le slot ça rend fou !!!

Message

philou17540
Bargeots

Voir plus


Date du message : vendredi 23 novembre 2018 à 07h48


Merci, je vais me mettre en quête d'en trouver une.
Voili voulou ce que je trouve :

https://www.amazon.fr/Graupner-6459-Alimentation-R%C3%A8glable-5-15V/dp/B002WE2BNG

Toujours se faire plaisir
https://www.facebook.com/slotcarcarrera.fontpatour/videos/141834940123182/

Message

philou17540
Bargeots

Voir plus


Date du message : vendredi 23 novembre 2018 à 11h22


Pour la détection, j'ai lu plusieurs choses sur le forum et la je vois que l'on me conseille ceci :

Sachant que je suis sur une piste maison.

Pour faire des courses sur votre Carrera analogique et Pc Lap Counter voici les éléments dont vous aurez besoin :

DS Racing Pont Infrarouge Universel 2
DS Racing Compte-Tours DS-200 PRO
DS Racing Adaptateur Secteur 12 Volts DC 3 A.
DS Racing Câble Série de connection DS vers PC
DS Racing Convertisseur RS-232C OU un convertisseur informatique du même type RS-232C>USB

Toujours se faire plaisir
https://www.facebook.com/slotcarcarrera.fontpatour/videos/141834940123182/

Message

ttfredo
Bargeots

Voir plus


Date du message : vendredi 23 novembre 2018 à 11h48


Tu peux économisez si tu ne tiens pas forcement à avoir en plus de PC Lap le compteur DS.
Pour cela, il te faut un pont X voies + une carte phidgets le tout raccorder à un PC via un port USB et le tour est joué.

Regardes par ici: http://www.pclapcounter.be/phidget_interface.html
et surtout pas là https://www.franceslotforum.com/forum/messages.html?idsujet=1500679&page=0&pgi=0&show= un post de Titchoi et c'est ce que j'ai reproduit chez moi,

Vous pouvez suivre l'ASA sur son blog http://assoslotalpin.canalblog.com

Message modifié le vendredi 23 novembre 2018 à 14h28 par ttfredo

Message

philou17540
Bargeots

Voir plus


Date du message : vendredi 23 novembre 2018 à 13h26


merci beaucoup oui ça serait à moindre coût.
mais peux-tu m'en dire plus sur ce qu'il faut comme carte Phidget et un exemple sur photo ou un tuto, ça aide tellement, quand tu ne sais pas trop.

Toujours se faire plaisir
https://www.facebook.com/slotcarcarrera.fontpatour/videos/141834940123182/

Message

ttfredo
Bargeots

Voir plus


Date du message : vendredi 23 novembre 2018 à 14h27


Pour les photos et les tutos regardes les liens que je t'ai posté au-dessus.
Concernant les ref des cartes phidgets 2 possibilités soit, à voir suivant ce que tu veux intégré sur ton circuit
Interface 8/8/8 1018
Interface 16 E/16 S logiques 1012_2B
Voir ici sur le site Gotronic : https://www.gotronic.fr/cat-interfaces-usb-phidgets-1062.htm

Vous pouvez suivre l'ASA sur son blog http://assoslotalpin.canalblog.com

Message modifié le vendredi 23 novembre 2018 à 14h27 par ttfredo

Message

pepe_plus
Sloteur de l'extrême!

Voir plus


Date du message : vendredi 23 novembre 2018 à 14h53


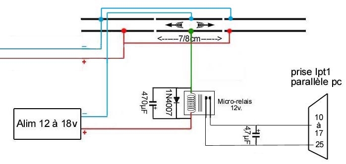
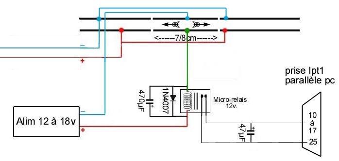
- 1 vieux pc de récup, chez toi, chez un pote, chez le voisin, magasin, déchetterie, brocante etc avec prise LPT1
- 4 relais 12v subminiature la pièce 1€
- 4 condensateur 470µF 25v la pièce 0,10€
- 4 condensateur 4,7µF 25v la pièce 0,10€
- 4 diode 1N4007 la pièce 0,10€
- 1 logiciel comptage 0€ tu l'as déjà
- 2 coups de Dremel dans un rail
Coût Total...?

Le slot ça rend fou !!!

Message

philou17540
Bargeots

Voir plus


Date du message : vendredi 23 novembre 2018 à 15h48


Ok, le PC effectivement, je l'ai déjà.
ton système du coup ne reprend pas de pont infra rouge c'est par détection coupure.

Toujours se faire plaisir
https://www.facebook.com/slotcarcarrera.fontpatour/videos/141834940123182/

Message

pepe_plus
Sloteur de l'extrême!

Voir plus


Date du message : vendredi 23 novembre 2018 à 16h24


Fais un petit effort stp

Le slot ça rend fou !!!

Surveiller Imprimer