création de ma piste bois


Message

stan2410
Sloteur Fou

Voir plus


Date du message : lundi 25 février 2008 à 19h32


Bon alors c'est parti pour les photos , mais déja la premiere parle d'elle même

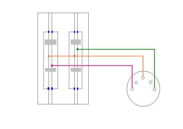
Tu perce un trou debouchant a travers ta piste , tu diminue la section du cable en coupant quelque brins ensuite tu l'applique contre ta piste

Et ensuite tu vient coller ton cooper , je precise qu'il faut faire chevaucher de quelque CM pour avoir une bonne continuiitée

Du coup j'ai fait les deux parce l'autre etait moins bien fait

Bon c'est vrai c'est pas l'endroit de la detection c'est un pontage mais l'esprit reste le même ( au fait y as tu pensé parce que avec ton devellopé )

Le bois on y vient tous un jour.
Un ch'ti-cho'tleur

Message

defray
Lord of the ring

Voir plus


Date du message : lundi 25 février 2008 à 19h50


Manou a écrit :

Et l'asticot si tu regle aussi bien tes caisses que tu les décapent je te mets 10 tours meme en 5 volts car je suppose que tu tourne pas plus haut comme ta copine la chauve

.....mort de rire!!!

v´la comment il casse l´ancien!!! ...

bon...restons sérieux....pour en revenir au sujet...

coupure+ds 200,c´est ça:

et ça marche impec´,que tu passe a 3km/h ou a 100!! :)


eehh!!.......vous etes pas un peu faché avec l´électricité et l´electronique dans l´jura!!??



copain quand même les gars!!

[url=http://defslotblog.blogspot.com/][img]http://img217.imageshack.us/img217/5613/1002187copiaxm6.jpg[/img][/url]

Message

mrclean
Jedï d'honneur

Voir plus


Date du message : lundi 25 février 2008 à 20h10


non, DEFRAY ,je suis pas faché avec l'électricité
car ça marche impeccable maintenant
pour le VIEU,
c'est pas avec sa chaise qu'il va nous rattraper
moi ,je la fait moi-même ma piste , bon je prends des infos , mais c'est moi qui l'est faite
pour STAN , j'ai pas fait de pontage , pour l'instant la continuété du courant est parfaite

Mr CLEAN est le HITMAN du slot

Message

dudu62
Sloteur Fou

Voir plus


Date du message : lundi 25 février 2008 à 20h33


A la fin de ta ligne droite ca donne quoi sans frein

T as prévu le camion de pompiers au moins

avec moi ca rigole pas

Message

Manou
Visiteur


Date du message : lundi 25 février 2008 à 20h52


dudu62 a écrit :
A la fin de ta ligne droite ca donne quoi sans frein

T as prévu le camion de pompiers au moins

et oui tu as raison les deux mec du Juar il pilotent comme cela Hein teubet le chauve

Manou

Message

mrclean
Jedï d'honneur

Voir plus


Date du message : lundi 25 février 2008 à 20h52


dudu62 a écrit :
A la fin de ta ligne droite ca donne quoi sans frein
T as prévu le camion de pompiers au moins

sans frein ça donne cela

mais je me demande si c'est pas toi qui conduisait , ben non c'est pas possible , vu ton gabarit tu peux pas rentrer dans une ferrari

Mr CLEAN est le HITMAN du slot

Message

dudu62
Sloteur Fou

Voir plus


Date du message : lundi 25 février 2008 à 21h13


mais je me demande si c'est pas toi qui conduisait , ben non c'est pas possible , vu ton gabarit tu peux pas rentrer dans une ferrari [/quote]

Je dois pas etre le seul à mon avis
y a pas que moi qui fait le quintal

avec moi ca rigole pas

Message

maverick89
Bargeots

Voir plus


Date du message : lundi 25 février 2008 à 22h00


On est deja sur que c'est pas teubar qui conduisait car a 5 km/h une collision fais pas tant de dégats !!!!

L'avantage avec lui pour le passager c'est qu'il a largemement le temps de sauter de la voiture avant qu'elle tape un mur

[url=http://www.i-services.net/membres/forum/messages.php?uid=78493&sid=37815&idsujet=1051101&pgi=1]Ma piste bois[/url]

Message

Teubarland
Visiteur


Date du message : lundi 25 février 2008 à 22h11


maverick89 a écrit :
On est deja sur que c'est pas teubar qui conduisait car a 5 km/h une collision fais pas tant de dégats !!!!

L'avantage avec lui pour le passager c'est qu'il a largemement le temps de sauter de la voiture avant qu'elle tape un mur

hé hé !!!! avec Teubar, la place du mort, c'est la place ou on fait du lard !!

sinon, phillipe, ça marche ?? ça venait de quoi que ça marchait pas ???????????

.
.
.
.
.
.
L'humour noir, c'est comme le boudin blanc, c'est une question de gout ...

Message

mrclean
Jedï d'honneur

Voir plus


Date du message : mardi 26 février 2008 à 08h26


si je trouve , je te le dis car pour l'instant
à moins que ce soit une soudure pas net , mais bon
l'essentiel c'est que ça marche
là , j'attends le copper pour finir peut-être aujourd'hui

Mr CLEAN est le HITMAN du slot

Message

mrclean
Jedï d'honneur

Voir plus


Date du message : mardi 26 février 2008 à 11h34


bon voila une photo j'avance peu en ce moment car j'attends le flocage et le rouleau de cuivre
et j'ai pas trop d'idée pour ma déco pour l'instant

Mr CLEAN est le HITMAN du slot

Message modifié le mardi 26 février 2008 à 11h35 par mrclean

Message

Eurock
Jedï d'honneur

Voir plus


Date du message : mardi 26 février 2008 à 12h47


mrclean a écrit :
bon voila une photo j'avance peu en ce moment car j'attends le flocage et le rouleau de cuivre
et j'ai pas trop d'idée pour ma déco pour l'instant

Tu parts sur une déco Nascar ????

Eurock
Bourgogne Sud
Ex fabriquant de copeaux
BLST addict [smiley23204]

Message

mrclean
Jedï d'honneur

Voir plus


Date du message : mardi 26 février 2008 à 13h46


Eurock a écrit :
mrclean a écrit : bon voila une photo j'avance peu en ce moment car j'attends le flocage et le rouleau de cuivre
et j'ai pas trop d'idée pour ma déco pour l'instant

Tu parts sur une déco Nascar ????

oui

Mr CLEAN est le HITMAN du slot

Message

SteveHx
Lord of the ring

Voir plus


Date du message : mardi 26 février 2008 à 16h01


Des tribunes et des pompom girls alors???

Site SRLM :

Message

Teubarland
Visiteur


Date du message : mardi 26 février 2008 à 16h10


salut, salut !
sinon, ta pas une photo de ta coupure de + près ??????????

ça a pas l'air tres grand !!!!!!!!!!!!!!!!!!!!!!!!! non ???????????
es-que ça fonctionne aussi bien rapide que lent ????
es-que ça te compte TOUS les tours ??????????????????????

.
.
.
.
.
.
L'humour noir, c'est comme le boudin blanc, c'est une question de gout ...

Message

Manou
Visiteur


Date du message : mardi 26 février 2008 à 16h38


Teubarland a écrit :
salut, salut !
sinon, ta pas une photo de ta coupure de + près ??????????

ça a pas l'air tres grand !!!!!!!!!!!!!!!!!!!!!!!!! non ???????????
es-que ça fonctionne aussi bien rapide que lent ????
es-que ça te compte TOUS les tours ??????????????????????

Et vous c'est plutot le lent qui vous interesse et le repide pour les bons pilotes . Comme ????? vous savez qui

Manou

Message

mrclean
Jedï d'honneur

Voir plus


Date du message : mardi 26 février 2008 à 17h15


Teubarland a écrit :
salut, salut !
sinon, ta pas une photo de ta coupure de + près ??????????

ça a pas l'air tres grand !!!!!!!!!!!!!!!!!!!!!!!!! non ???????????
es-que ça fonctionne aussi bien rapide que lent ????
es-que ça te compte TOUS les tours ??????????????????????

ça marche bien
j'ai 3 mm de coupure
et même avec un fauteuil roulant ça marche

Mr CLEAN est le HITMAN du slot

Message

mrclean
Jedï d'honneur

Voir plus


Date du message : mardi 26 février 2008 à 20h27


pour TEUBAR ( photo de la coupure )


en attendant le cuivre j'ai fait des places de parking et un semblant de ballot de paille je vais les finaliser avec des petits elastiques noirs





Mr CLEAN est le HITMAN du slot

Message

Manou
Visiteur


Date du message : mardi 26 février 2008 à 20h54


Bien le ballots de pailles mais en 5 volts tu ne crains rien . Un prété pour un rendu
Proverbe qui pourri ce fera pourrir

Manou

Message

maverick89
Bargeots

Voir plus


Date du message : mardi 26 février 2008 à 20h56


ca me parait court comme zone neutre pour ta détection. Les tresses des voitures risques d''etre sur les 2 morceaux et si tu branche ca sur un ordi, le port parallele risque de ne pas aimer

Normalement la zone neutre doit etre plus grande qu'une tresse

Olivier

[url=http://www.i-services.net/membres/forum/messages.php?uid=78493&sid=37815&idsujet=1051101&pgi=1]Ma piste bois[/url]

Surveiller Imprimer