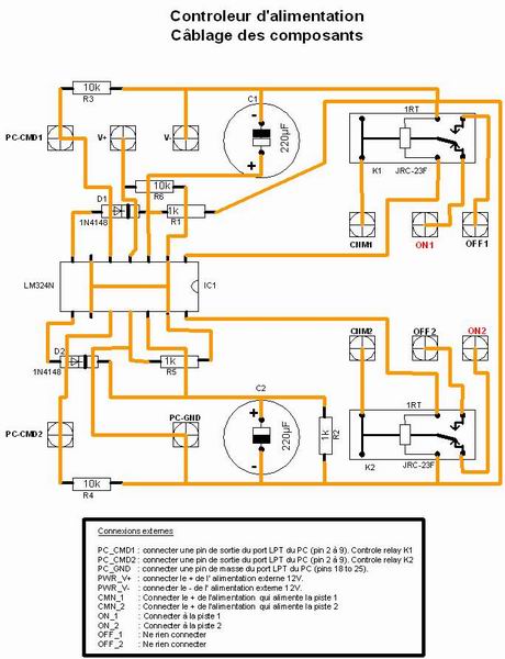
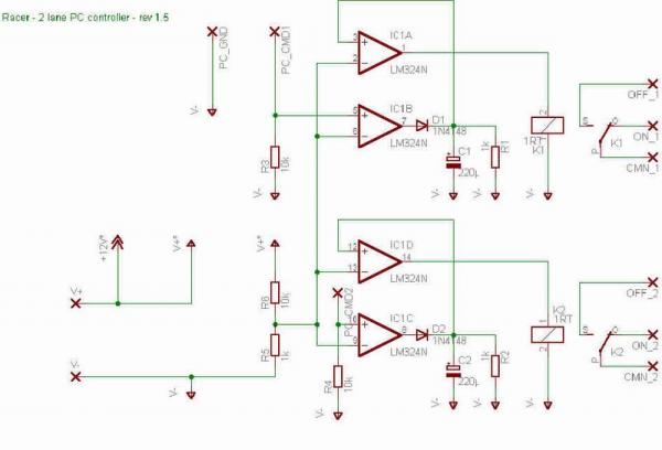
Schéma de câblage des composants

Connexions externes
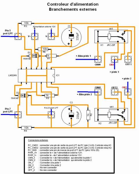
PC_CMD1 et PC_CMD2 :
C’est la que l’on va connecter le port LPT du PC. C’est par la que le signal arrivera pour activer les relais et stoppé le courant sur les pistes. Les pins du port LPT du PC qui gèrent cela sont les pins de sorties de signal soit les pins 2 à 9. Choisir d’or et déjà 2 pins, une pour gérer le relais K1 et une pour gérer le relais K2. Personnellement, j’ai utilisé la pin 5 pour le relais K1 qui gèrera la piste 1 et la pin 7 pour le relais K2 qui gèrera la piste 2.
PC_CMD1 : connecter une pin de sortie du port LPT du PC (pin 2 à 9). Contrôle relais K1
PC_CMD2 : connecter une pin de sortie du port LPT du PC (pin 2 à 9). Contrôle relais K2
PC_GND :
C’est la que l’on va connecter la masse du port LPT du PC. Les pins du port LPT du PC qui gèrent cela sont les pins 18 à 25. Personnellement, j’ai utilisé la 23.
PC_GND : connecter une pin de masse du port LPT du PC (pins 18 to 25).
PWR_V+ et PWR_V- :
C’est la que l’on va connecter l’alimentation externe 12V 500mA
PWR_V+ : connecter le + de l’alimentation externe 12V.
PWR_V- : connecter le - de l’alimentation externe 12V.
CMN_1 et CMN_2 :
C’est la que l’on va connecter les alimentations des pistes. Personnellement, j’utilise 2 alimentations variables stabilisées. Une alimentation pour la piste 1 et une autre alimentation pour la piste 2. En passant par le contrôleur d’alimentation le relais K1 gèrera l’alimentation de la piste 1 et le relais K2 l’alimentation de la piste 2.
CMN_1 : Connecter le + de l'alimentation qui alimente la piste 1
CMN_2 : Connecter le + de l'alimentation qui alimente la piste 2
ON_1 et ON_2 :
C’est la que l’on va connecter le + pistes. En effet les + des alimentations qui arrivaient aux pistes ont été débranché et connecté respectivement en CMN_1 et CMN_2. Il faut donc maintenant ramener le courant aux pistes quand les relais seront en phase alimentation.
ON_1 : Connecter au + de la piste 1
ON_2 : Connecter au + de la piste 2
OFF1 et OFF2 :
Ils ne sont pas utilises. En effet, cette partie est simplement le coté OFF des relais. Il n’y aura plus de courant arrivant aux piste.
OFF_1 : Ne rien connecter
OFF_2 : Ne rien connecter
Dans le cas de 2 alimentations pour 4 pistes
Le branchement est exactement le même sauf que les relais gèrerons l’alimentation de 2 pistes à la fois
Dans le cas d’une seule alimentation pour 2 pistes
Les connexions externes sont les mêmes sauf que l’on utilise uniquement :
PC_CMD1
PC_GND
PWR_V+ et PWR_V-
CMN_1
ON_1
OFF1
Schéma des branchements pour une alimentation par piste

Annexe :
Diode

Diode 1N4148

Relais 1RT JRC-23F

description détaillée :
Les relais sont par défaut en position ON de manière à pouvoir tourner sur le circuit même si votre PC est éteint.
Le logiciel doit mettre les pins utilisés pour le contrôleur en position OFF pour commuter les relais et stopper l’alimentation :

Si vous utilisez Ultimate Racer, les pins de sorties connectés aux PC_CMD1 et 2 doivent être spécifiés dans le paramétrage hardware du logiciel.
Ex : si le contrôle utilise pin 5 du port LPT pour la piste 1 et le pin 7 du port LPT pour la piste 2, paramétrer comme ceci :
Lane - Event - Pin - Enabled
Lane1 - Power control - 5 - Actif
Lane2 - Power control - 7 - Actif
Résultat en Image :
les composants implantés et cablés

le contrôleur branché

Si quelque chose est mal expliqué ou que vous ne comprenez pas un truc n'hesitez pas
