Suite à mon absence de quelques jours, je continu ma description:
Petite mise au point : on a vu le choix du régulateur, du condensateur (quoiqu’il reste un point à voir), on peut passer aux LED.
6. Choix des LED :
L’idée ici, est de vous donner les point important pour le choix de vos LED, je donnerais une liste de composant à la fin, mais il est mieux de bien comprendre comment les choisir parce qu’une référence donnée peut arriver en rupture de stock, et qu’il vaut mieux savoir choisir la diode équivalente.
Il y a deux données importantes, pour la conception, sur les LEDs :
- Son courant nominal (dans les data sheet c’est noté :IF, DC forward current, etc…)
- Sa tension direct (dans les data sheet c’est noté :Vf, DC forward voltage, etc…)
Les LED les plus répandus ont un courant IF de 20mA.
La tension direct varie peu en fonction des constructeurs, mais beaucoup en fonction de la couleur de celles-ci :
On va partir du tableau suivant :
Couleur Tension direct
Blanc 3 à 3.5V
Orange 2 à 2.3V
Jaune 2 à 2.3V
Bleu ??
Rouge 2 à 2.3V
On a les infos qui faut pour poursuivre le raisonnement. Maintenant on va passer au fameux calcul des résistances.
Bien c’est simple tout le monde a entendu parler de la formule U=RI, et bien c’est celle-là qu’il faut utiliser.
L’idée est de calculer la tension aux bornes de la résistance, puis de calculer la résistance pour avoir le courant voulu. C’est la résistance qui va limiter le courant.
Bon pour que cela marche, il faudra toujours s’assurer que la chute de tension aux bornes de la (es) diode(s) soit supérieur à la tension d’alimentation.
Si on met deux diodes en série, il faut ajouter la tension (Vf) de ces diodes. Du coup, on voit tout de suite que l’on ne pourra pas mettre deux diodes blanche en série en les alimentant en 5V (2*Vf=2*3V=6V>>Ureg=5V).
Donc on va se retrouver avec deux possibilités, soit une diode, soit deux diodes en serie (mais pas les blanches !).
Petit schéma :

Montage une diode :
La tension Ur (aux bornes de la résistance) est égale à la tension d’alimentation moins la tension aux bornes de la diode.
Soit Ur=Ureg-Vf, une fois que l’on a la tension aux bornes de la résistance on va pouvoir calculer la valeur de la résistance pour obtenir le courant voulu.
Le courant voulu c’est le courant que l’on veut faire passer dans la diode, soit IF pour un éclairage nominal (moins pour avoir moins d’éclairage).
On a dit que U=RxI (la tension est égale à la résistance multiplié par le courant qui la traverse)
Donc Ur=RxI soit R=Ur/I . On a vu que Ur=Ureg-Vf, donc R=(Ureg-Vf)/I
Pour une diode blanche, on veut le l’éclairage nominal., soit 20mA (=0.02A), avec VF=3V
On calcul donc R=(5-3)/0.02 on trouve R= 100 Ohms
Lorsque l’on ne tombe pas ur une valeur de resistance normalisée, on prends la valeur directement supérieur.
Voici un tableau pour différentes diodes et arrangement
VF diode Nbre Courant resistance
Volt mA Ohms
3 1 20 100
3 1 30 68
2 2 20 56
2 2 15 68
2 2 10 100
2 1 20 150
2 1 15 220
2 1 10 330
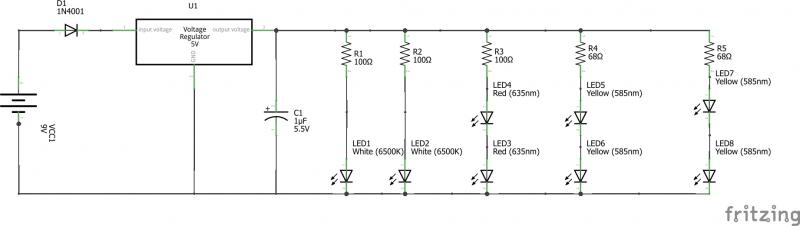
D'où le schéma en ajoutant ne diode en entrée du régulateur (pour eviter les dommages en cas de mauvaise polaritée):
Le condensateur est marqué 1uF, mais je n'arrive pas à trouver les gold cap (1F)sous Fritzing.

Pour la connexion des composants:

voila voila.....